4gs型钢制热水暖风机 4GS型暖风机

时间: 09-10 来源: 啊哦网 作者: Anne
  • 手机浏览
    扫一扫 手机浏览
    推荐在WIFI环境下使用
  • 一篇关于4gs型钢制热水暖风机,4GS型暖风机文章分享给大家,希望大家喜欢!这里您可以看到更多关于4gs型钢制热水暖风机,4GS型暖风机相关的内容,快来看看吧

    4gs型钢制热水暖风机概述

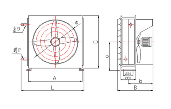
    1、4gs型暖风机都是由钢制散热器,风机,电机三大部件组成;

    2、4gs钢制散热器采用Φ 22×2(mm)无缝钢管绕16×0.5(mm)螺旋波纹翅片后,承压高,耐腐蚀性能及传热效果好;

    3、4gs型暖风机结构简单、体积小、质量轻、安装方便、耗电量低;

    4、4gs型暖风机适应于以热水为热媒的各类大、中型空间的采暖、通风、干燥、除湿等;

    5、gs型暖风机型号表示说明:4GS (4—轴流通风机机号 GS—以热水为热媒的钢制暖风机)

    4gs型钢制热水暖风机 4GS型暖风机

    4gs型钢制热水暖风机的优点

    1、省时省力,随心随意。gs型暖风机有着科学合理的储煤仓设计,一次加煤可连续燃烧4到12个小时,4GS型暖风机,每天只须加煤2到3次,在正常运行中无须专人看管,极大降低工作量,省工省时。

    2、拥有绿色环保,高效节能的直烧反烧结构,可充分提高煤炭的利用率,比普通锅炉节煤40-50%。

    3、工艺精湛,真材实料。4gs型热水暖风机采用优质抗氧化腐蚀锅炉板材和锅炉专用无缝焊接,暖风机,结构合理,使用寿命更长。

    4gs型钢制热水暖风机 4GS型暖风机

    4gs型钢制热水暖风机的使用与维护

    1、热水暖风机的散热表面必须保持干净的状态。

    2、该型号机器的热媒为热水(130度/70度或90度/)

    3、该机在使用2-3年后应该使用化学试剂清楚内腔水垢。

    4、该机的安装高度一般为3-3.5米。

    5、采暖季节停机时,将该机中的存水放掉,防止冻裂换热管。非采暖季节停机,将该机注满水,以减少换热管的锈蚀。

    4gs型钢制热水暖风机 4GS型暖风机

    4gs型钢制热水暖风机的价格

    该款型号的热水暖风机在市面上的售价一般在1000元左右,性价比算是非常不错的了,大家有这个经济实力的完全可以考虑入手嗷。

    4gs型钢制热水暖风机 4GS型暖风机

    GS型钢制热水暖风机结构及安装尺寸

    4gs型钢制热水暖风机 4GS型暖风机

    4gs型钢制热水暖风机 4GS型暖风机

    小贴士

    1、GS型暖风机的散热排管为四排,叉排排列;

    2、GS型暖风机百页窗开度可调整,以得到适合的气流。

    相关阅读

    猜你喜欢

    prev next
    Copyright © 优美图库 版权所有 All rights reserved. 浙ICP备14043968号